新疆维吾尔自治区监狱管理局
政府信息公开
政府信息公开指南
政府信息公开制度
法定主动公开内容
政府信息公开年报
依申请公开
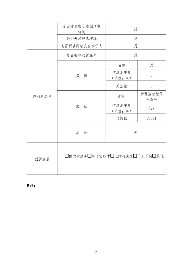
2025年度政府网站工作年度报表
发布时间:2026-01-13 浏览次数:
【字体:
大
中
小
】
附件下载:
(此件于重新编辑)
相关链接:
< img src="//www.xinjiang.gov.cn/phpstat/count/10000001/10000001.php" alt="PHPStat Analytics"/>
法定主动公开内容